Informe Técnico de Cerradura Remota Invisible: Diferencias Clave entre Sistemas Único y Dual

Como innovación clave en la seguridad física moderna, las cerraduras inteligentes remotas invisibles se dividen en dos arquitecturas: sistema único y sistema dual. Ambas difieren notablemente en fiabilidad, seguridad y vida útil, afectando directamente la experiencia y la seguridad del usuario.

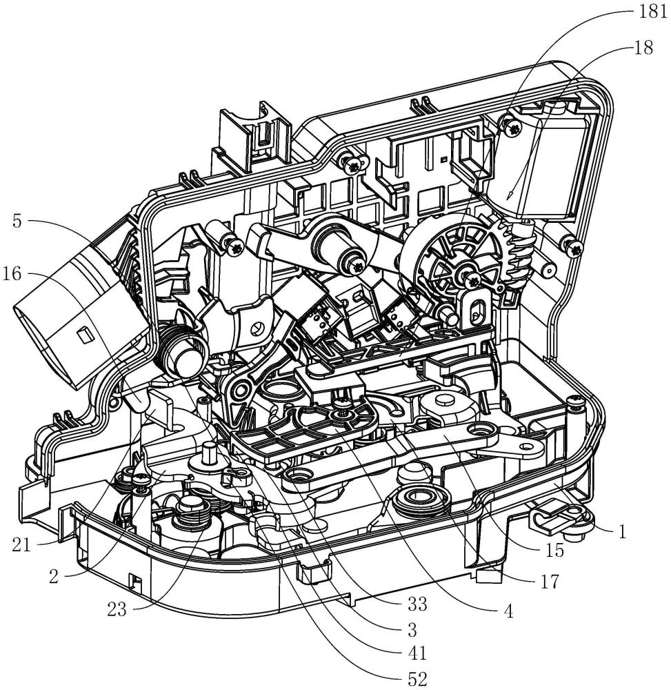
Estructura interna de cerradura inteligente invisible de sistema dual
Fig 1: Estructura interna de cerradura inteligente invisible de sistema dual

1. Cerradura inteligente remota invisible de sistema único – características técnicas

Las cerraduras inteligentes remotas invisibles antirrobo de sistema único utilizan una PCB y un motor. Este diseño de bajo costo es común pero presenta claras limitaciones técnicas:

  • Punto único de fallo: toda la cerradura depende de una sola PCB y un motor
  • Riesgo de fiabilidad: si cualquiera de los componentes falla, el usuario no puede abrir la puerta
  • Alto costo de reparación: se requiere servicio profesional y la cerradura queda inutilizable mientras se espera
  • Amplia cuota de mercado: el bajo precio hace que la mayoría de las marcas aún ofrezcan solo productos de sistema único

2. Cerradura inteligente remota invisible de sistema dual – ventajas técnicas

WAFU se ha concentrado en desarrollar cerraduras invisibles remotas antirrobo de sistema dual que adoptan doble PCB y doble motor:

  • Doble redundancia: dos sistemas independientes funcionan en paralelo, respaldándose mutuamente
  • Conmutación automática: cuando falla el sistema principal, el respaldo se activa en 0.3 s
  • Objetivo de cero fallos: el diseño de sistema dual elimina bloqueos causados por fallos de un solo componente
  • Mayor vida útil: la carga se comparte, reduciendo el desgaste general

3. Innovaciones clave en la tecnología de sistema dual de WAFU

WAFU ha logrado varias innovaciones pioneras en la industria:

  • Detección inteligente de fallos: monitoreo en tiempo real de ambos sistemas con alertas tempranas
  • Cambio sin interrupciones: la conmutación es invisible para el usuario y no afecta la operación normal
  • Algoritmo de carga equilibrada: distribución inteligente del trabajo entre los dos sistemas evita envejecimiento prematuro
  • Diseño modular: los módulos defectuosos pueden reemplazarse individualmente, reduciendo el costo de mantenimiento

4. Múltiples modos de acceso de las cerraduras inteligentes remotas invisibles

Las cerraduras inteligentes modernas ofrecen varios métodos de apertura para diferentes escenarios:

4.1 Desbloqueo por control remoto

  • La tecnología de código rodante evita la clonación de señales
  • Rango efectivo de 15–20 m para operación remota conveniente
  • Emparejamiento múltiple de controles remotos para necesidades familiares

4.2 Desbloqueo por APP móvil

  • Conexión vía Bluetooth o Wi-Fi
  • Admite autorización remota y PINs temporales
  • Notificaciones push en tiempo real mantienen informado al usuario

4.3 Desbloqueo por huella digital

  • Reconocimiento de huella viva por semiconductores
  • <0.5 s de reconocimiento, FAR <0.001 %
  • Almacena múltiples huellas para uso familiar

4.4 Desbloqueo por PIN

  • Tecnología de PIN virtual evita miradas indiscretas
  • Códigos temporales de un solo uso para visitantes
  • Bloqueo automático tras códigos erróneos para mayor seguridad

5. Valor práctico de la tecnología de sistema dual

Las cerraduras invisibles de sistema dual de WAFU muestran claras ventajas en el uso diario:

  • Propietarios de viviendas: elimina el riesgo de quedar bloqueado por fallo de un componente
  • Locales comerciales: garantiza que oficinas, tiendas o almacenes permanezcan accesibles
  • Propiedades en alquiler: reduce quejas de inquilinos y costos de mantenimiento por fallos de cerradura
  • Residencias de alto nivel: proporciona un nivel de seguridad acorde al valor de inmuebles premium

6. Tendencias de la industria & perspectivas tecnológicas

A medida que evoluciona la tecnología de seguridad inteligente, las cerraduras invisibles avanzarán en las siguientes direcciones:

  • Diseño redundante como estándar: arquitecturas duales o incluso múltiples serán características básicas de productos premium
  • Mayor inteligencia: algoritmos de IA permitirán mantenimiento predictivo y detección temprana de fallos
  • Integración más profunda: acoplamiento estrecho con ecosistemas de hogares inteligentes para automatización basada en escenarios
  • Mayor seguridad: fusión más estrecha de biometría y tecnología de cifrado
"En el campo de las cerraduras inteligentes, la fiabilidad es un indicador más importante que las funciones. La tecnología de sistema dual de WAFU resuelve el problema de fiabilidad desde la raíz y brinda verdadera seguridad a los usuarios." —— Director de I+D, WAFU Smart
WhatsApp
Código QR de WhatsApp

WhatsApp:

+86 19501835094

Teléfono

Teléfono: +86 19501835094

Volver arriba